-
MARZOCCHI ALP2A-D-16-FC 11.5cc/rev. Hydraulic pump. 유압 펌프


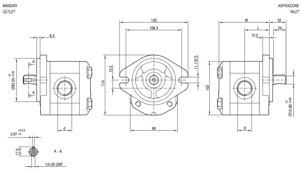
TIPO CILINDRATA PORTATA a 1500 giri/min PRESSIONI MASSIME VELOCITÀ MASSIMA DIMENSIONI TYPE DISPLACEMENT FLOW at 1500 rev/min MAX PRESSURE MAX SPEED DIMENSIONS P1 P2 P3 L M d D cm3 /giro [cm3 /rev] litri/min [litres/min] bar bar bar giri/min [rpm] mm mm Parti accessorie a corredo della pompa standard: linguetta (codice 522067). Monta flangia 82-2 (A) secondo norma SAE J744c. Le porte standard "D" e "d" sono lavorate secondo la specifica SAE J1926/1 (ISO 11926-1) relativa a porte filettate con tenuta O-ring. Accessories supplied with the standard pump: key (code 522067). Mounting flange 82-2 (A) in compliance with SAE J744c. "D" and "d" standard ports are machined in compliance with threaded port with O-ring seal in truncated housing SAE J1926/1 (ISO 11926-1). MANDATA OUTLET ASPIRAZIONE INLET
ALP2A-D-6 4,5 6,4 250 270 290 4000 45,5 93,5 7/8-14 UNF 1 1/16-12 UNF
ALP2A-D-9 6,4 9,1 250 270 290 4000 47 96,5 7/8-14 UNF 1 1/16-12 UNF
ALP2A-D-10 7,0 10,0 250 270 290 4000 47,5 97,5 7/8-14 UNF 1 1/16-12 UNF
ALP2A-D-12 8,3 11,8 250 270 290 4000 48,5 99,5 7/8-14 UNF 1 1/16-12 UNF
ALP2A-D-13 9,6 13,7 250 270 290 4000 49,5 101,5 7/8-14 UNF 1 1/16-12 UNF
ALP2A-D-16 11,5 16,4 230 250 270 4000 51 104,5 7/8-14 UNF 1 1/16-12 UNF
ALP2A-D-20 14,1 20,1 230 250 270 3200 53 108,5 7/8-14 UNF 1 1/16-12 UNF
ALP2A-D-22 16,0 22,8 210 225 240 2800 54,5 111,5 7/8-14 UNF 1 1/16-12 UNF
ALP2A-D-25 17,9 25,5 210 225 240 2500 56 114,5 7/8-14 UNF 1 1/16-12 UNF
ALP2A-D-30 21,1 30,1 180 195 210 2200 58,5 119,5 7/8-14 UNF 1 1/16-12 UNF
ALP2A-D-34 23,7 33,7 180 195 210 2000 60,5 123,5 7/8-14 UNF 1 1/16-12 UNF
ALP2A-D-37 25,5 36,4 170 185 200 1800 62 126,5 7/8-14 UNF 1 1/16-12 UNF
ALP2A-D-40 28,2 40,1 170 185 200 1800 64 130,5 7/8-14 UNF 1 1/16-12 UNF
ALP2A-D-50 35,2 50,2 140 155 170 2000 69,5 141,5 7/8-14 UNF 1 5/16-12 UNF'Machine' 카테고리의 다른 글
온도계 섭씨 Celsius 화씨 Fahrenheit (0) 2024.04.15 AW46 유압 오일 (0) 2024.04.07 오일필터 OilFilter E6201-32443 (0) 2024.04.04 Oil Filter C307J (JS Asakashi) (0) 2024.04.04 전구 소켓 규격 E26, E27, 110V, 120V, 220V, 230V (0) 2023.12.16 구리스건 쇠구찌 부속 (0) 2023.08.04 구리스건(펌프) 사용법 (0) 2023.08.04 Auto-Starter AS-PL A9155 Alternator (0) 2023.06.29